一、用途与特点
CEA-F05型离心泵实验仪适合于设有化学、应用化学、化工和轻工等专业的各类学校,供化工实验室教学实验和课堂演示实验之用。
本仪器是最新设计的小型化学工程实验装置,具有箱式整体结构、轻巧美观、性能可靠和使用方便等特点适合学生分组实验。
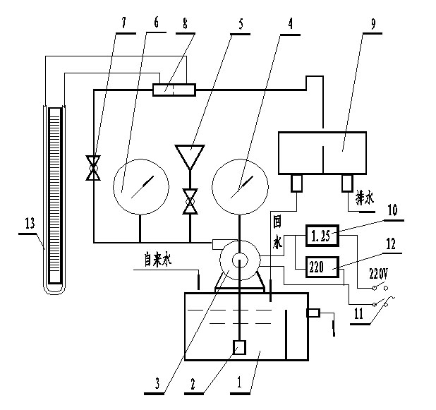
本仪器的主体设备为一台离心泵,并配置各种测量仪表,不仅可观察泵的结构和操作情况,而且可准确测定离心泵的特性数据。
本实验仪可供实验的主要内容:
(1)观察和了解离心泵的构造、安装流程及操作过程。
(2)观察离心泵的气缚现象。
(3)测定离心泵的特性曲线。
(4)进行孔板流量计的标定。
二、技术指标
(1)外形尺寸:1000mm(W)×320mm(D)×1000mm(H)
(2)流量:0~20L·min-1
(3)扬程:≥5m(水柱)
三、主要设备及其规格
(1)离心式水泵 1台
型式:单吸半敞式叶轮
流量:≥20L·min-1
扬程:≥5mm(H2O)
功率:120W
(2)循环水槽 1个
材质:有机玻璃
规格:750mm(W)×280mm(D)×180mm(H)
(3)压力表 1支
规格:Ф100mm
量程:0~0.06MPa
精度:1.5
(4)真空表 1支
规格:Ф100mm
量程:-0.1~0MPa
精义:1.5
(5)孔板流量计 1支
测量范围:0~2020L·min-1
(6)U形管压差计
材质:无机玻璃
量程:800mm
(7)电流表
型号:85L1-A
量程:0~250V
(8)电压表
型号:85L1-V
量程:0~250V
(9)分流槽
材质:有机玻璃
规格:260mm(W)×140mm(D)×175mm(H)
四、装置流程与使用方法
本仪器的流程如图1所示。
